Deep tech startup Apheros, co-founded by Dr. Julia Carpenter and Dr. Gaëlle Andreatta, closed a $1.85 million pre-seed funding round led by venture capital firm Founderful.
The startup, based in Zurich, Switzerland, specializes in advanced cooling solutions for data centers, an industry grappling with rising electricity costs, infrastructure challenges, and sustainability concerns. Apheros' innovative metal foam technology aims to address these critical issues by enhancing the efficiency of data center cooling systems, a growing necessity as power consumption per rack continues to escalate.
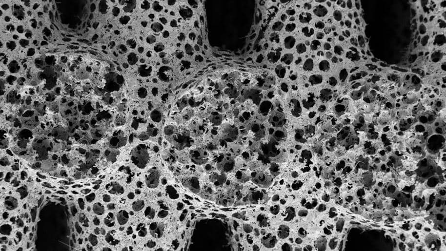
Data centers, vital to the functioning of AI, machine learning, and supercomputing, are increasingly burdened by their energy requirements. By 2030, cooling data centers alone is projected to consume 6% of global energy. Apheros is stepping into this arena with its patented metal foam technology, which offers superior heat dissipation and fluid flow properties compared to traditional cooling methods. This breakthrough technology is designed to reduce energy consumption and cooling costs, making it a promising solution for the industry's mounting challenges.
Apheros’ metal foams, characterized by their open porosity and high surface area, significantly outperform conventional cooling materials, ensuring optimal thermal management in high-performance computing environments.
The funds will enable Apheros to expand production, enhance R&D efforts, and introduce their cutting-edge solutions to a broader market.
“Apheros' groundbreaking approach has the potential to significantly reduce energy consumption and set new industry standards," commented Lukas Weder, founding partner at Founderful. "We are confident in the team's vision and capabilities and look forward to seeing the positive impact they will make on both the industry and the environment."
Founded in August 2023 as an ETH Zurich spin-off, Apheros is driven by a team with extensive experience in innovation and business development. CEO Dr. Julia Carpenter, recognized as one of Switzerland's Top 10 “Founders to Watch,” and CTO Dr. Gaëlle Andreatta, with over 16 years of expertise in R&D, are at the helm of this ambitious venture.
